+86-0523-83274900
ข้อต่ออะแดปเตอร์ Storz - หน้าแปลน
บ้าน / ผลิตภัณฑ์ / อะแดปเตอร์ / ข้อต่ออะแดปเตอร์ Storz - หน้าแปลน

ข้อต่ออะแดปเตอร์ Storz - หน้าแปลน

ข้อต่ออะแดปเตอร์ใช้ในการเชื่อมต่อหรือแปลงระหว่างมาตรฐานและประเภทของอุปกรณ์ที่แตกต่างกัน พวกเขาอนุญาตให้อินเทอร์เฟซที่เข้ากันไม่ได้เป็นอย่างอื่นเชื่อมต่อกันอย่างราบรื่น

ข้อต่ออะแดปเตอร์รวมถึง แต่ไม่ จำกัด เพียง: เยอรมันถึง Storz (ชาย/หญิง), เยอรมันกับป่าไม้, เยอรมันกับเยอรมันล็อคตนเอง, เยอรมันไปยังหน้าแปลน, เยอรมันถึงหลายฟัน, Storz Male to Storz, Storz to Forestry ฯลฯ
ข้อต่ออะแดปเตอร์ทุกประเภทสามารถปรับแต่งได้ตามคำขอ

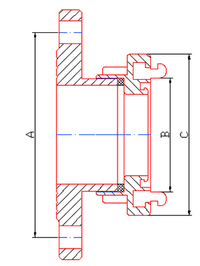
ขนาด ทรัพยากร

รายการหมายเลข

DIN/MM

dia

A/MM

b/mm

c/mm

/

80

3 "

160

89

126

Small100

4 "

180

115

156

ขนาดเล็ก 100 (American Standard)

4 "

190.5

115

156

ใหญ่ 100

4 "

180

133

182

Big 100 (American Standard)

4 "

190.5

133

182

150

6 "

240

160

215

150 (American Standard)

6 "

241.3

160

215

200

8 "

295

220

280

200 (American Standard)

8 "

298.5

220

280

250

10 "

355

278

339

250 (American Standard)

10 "

362

278

339

300

12 "

410

316

384

300 (American Standard)

12 "

431.8

316

384

350

14 "

470

366

448

350 (American Standard)

14 "

476.3

366

448

* วัสดุและกระบวนการผลิตสามารถปรับแต่งได้ตามคำขอ
* ข้อกำหนดอื่น ๆ (เช่นแรงกดดันในการทำงานแรงดันระเบิด ฯลฯ ) สามารถปรับแต่งได้ตามต้องการ

เจียงซู jinding Fire Protection Technology Co. , Ltd.
บริษัท Jiangsu Jinding Fire Protection Technology Co. , Ltd. ตั้งอยู่ในเขตพัฒนาเศรษฐกิจ Jiang Su Xinghua ก่อตั้งขึ้นในปี 2541 เป็น บริษัท อุตสาหกรรมที่รวมการออกแบบการพัฒนาการผลิตและการขาย บริษัท ได้ผ่านการรับรองระบบคุณภาพและการรับรองระบบคุณภาพของ ISO9001: 2015 และผลิตภัณฑ์ที่เกี่ยวข้องและผลิตภัณฑ์ที่เกี่ยวข้องได้รับรายงานการตรวจสอบของศูนย์การกำกับดูแลคุณภาพและการตรวจสอบคุณภาพของอุปกรณ์ดับเพลิงแห่งชาติ
บริษัทของเราผลิตผลิตภัณฑ์หลักหลายประเภท ได้แก่ ข้อต่อดับเพลิง หัวฉีดน้ำ หัวดับเพลิง ข้อต่อท่อขนาดใหญ่ และข้อต่อประปาสำหรับแหล่งน้ำมัน ผลิตภัณฑ์เหล่านี้ใช้กันอย่างแพร่หลายในอุตสาหกรรมป้องกันอัคคีภัย ปิโตรเลียม เคมีภัณฑ์ การทหาร และอุตสาหกรรมอื่นๆ.
บริษัท มีความสามารถด้านการวิจัยและพัฒนาที่เป็นอิสระและมีกระบวนการผลิตที่สมบูรณ์เช่นการผลิตแม่พิมพ์การประมวลผลการผลิตและการทดสอบผลิตภัณฑ์ ในขณะเดียวกันองค์กรก็ให้ความสำคัญกับข้อกำหนดของลูกค้าจับการเปลี่ยนแปลงของตลาดอย่างต่อเนื่องพัฒนาและผลิตผลิตภัณฑ์ใหม่อย่างต่อเนื่องและชนะความไว้วางใจและการสรรเสริญลูกค้าใหม่และเก่า
บริษัทส่งมอบความน่าเชื่อถือ ข้อต่ออะแดปเตอร์ Storz - หน้าแปลน และบริการระดับมืออาชีพที่ยึดหลักความมุ่งมั่นด้านคุณภาพและความร่วมมือเป็นหุ้นส่วน มุ่งมั่นที่จะสร้างความสัมพันธ์ความร่วมมือที่ยั่งยืนกับลูกค้า.
27+

27 ปีของอุตสาหกรรม ประสบการณ์การผลิต

ใบรับรอง
ข่าว
มาคุยกันกันเถอะ
เพียงแค่ทักทายและเราจะเริ่มการทำงานร่วมกันที่มีผล เริ่มต้นเรื่องราวความสำเร็จของคุณเอง
ต้องการอุปกรณ์สำหรับธุรกิจของคุณหรือไม่?
ให้ทีมของเราจัดหาโซลูชั่นที่กำหนดเองให้คุณ